SPECIFICATIONS
Size & Proportions
| Depth | mm |
| Height | mm |
| Width | mm |
Vòi bếp SF-NB454SX-J của INAX là sự kết hợp hoàn hảo giữa công nghệ hiện đại và thiết kế tinh tế, mang đến trải nghiệm sử dụng đầy tiện nghi. Sản phẩm được chế tác với độ bền vượt trội, dễ bảo trì, phù hợp cho nhu cầu sử dụng thường xuyên. Bề mặt sản phẩm được hoàn thiện sáng bóng, tạo điểm nhấn đẳng cấp cho không gian bếp thêm hiện đại.

Đặc điểm nổi bật của vòi chậu bếp SF-NB454SX-J
- Kiểu dáng hiện đại, tinh tế, mang đường nét tối giản nhưng sang trọng, phù hợp với xu hướng nội thất bếp cao cấp hiện nay.
- Đầu vòi kéo được thiết kế linh hoạt, có thể kéo dài và xoay đa hướng, giúp tiếp cận mọi ngóc ngách trong bồn rửa chén mà không cần di chuyển nồi chảo.
- Tay gạt và đầu vòi bếp được bố trí hợp lý, tạo cảm giác thoải mái và thuận tiện khi sử dụng trong thời gian dài.
- Kích thước vừa vặn, không chiếm nhiều diện tích, phù hợp với nhiều kiểu chậu rửa và phong cách bếp khác nhau.
Tính năng nổi bật của vòi chậu bếp SF-NB454SX-J
- Cảm biến tự động bật/tắt nước: Giúp thao tác rảnh tay, hạn chế tiếp xúc trực tiếp với bề mặt vòi, từ đó góp phần giữ vệ sinh tối ưu và giảm nguy cơ lây nhiễm vi khuẩn.
- Đầu phun 2 chế độ thông minh: Cho phép lựa chọn dòng chảy liên tục hoặc phun tia mạnh, đáp ứng đa dạng nhu cầu từ rửa rau củ nhẹ nhàng đến làm sạch xoong nồi bám bẩn.
- Nguồn điện từ pin tiện lợi: Hoạt động ổn định nhờ pin, không cần kết nối điện trực tiếp, dễ dàng lắp đặt ở nhiều không gian bếp khác nhau.
- Phù hợp sử dụng cho mọi thành viên: Người lớn tuổi hay trẻ em đều có thể thao tác nhanh gọn nhờ cảm biến và thiết kế thân thiện.
- Độ bền cao, vận hành ổn định: Cơ chế hoạt động bền bỉ, ít hỏng hóc, phù hợp cho gia đình sử dụng thường xuyên trong thời gian dài.
Video giới thiệu về vòi chậu INAX chính hãng Nhật Bản
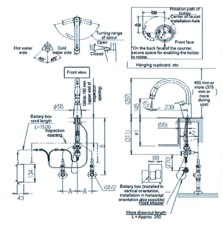
Bản vẽ lắp đặt vòi chậu bếp SF-NB454SX-J

Xem chi tiết bản vẽ lắp đặt tại đây.
Thông số kỹ thuật
| Chất liệu | Mạ Crom/Niken chất lượng cao |
| Kiểu dáng | Vòi cong cao, thân trụ vững chắc |
| Kích thước | - |
| Tính năng | - **Cảm biến mở/tắt nước**, hạn chế chạm tay, đảm bảo vệ sinh - Đầu phun 2 chế độ: dòng chảy liên tục và linh hoạt - Đầu vòi kéo ra, tiếp cận dễ dàng mọi góc bồn - Nguồn điện từ pin, thuận tiện lắp đặt |
| Thương hiệu | INAX |
| Thiết kế | - Đường cong vòi mềm mại, sang trọng và hiện đại. - Đầu vòi kéo dài, xoay linh hoạt, hỗ trợ tối đa cho thao tác bếp. - Bề mặt hoàn thiện sáng bóng, giữ cho không gian bếp luôn sạch sẽ. - Thiết kế tối ưu chiều cao và khoảng cách, giúp thao tác rửa tiện lợi, thoải mái. |
| Công nghệ | Đầu phun có 2 chế độ, tạo dòng chảy liên tục, đáp ứng được mọi nhu cầu cọ rửa. |
| Khác | - Dễ bảo trì, thay pin nhanh chóng, phù hợp cho gia đình có nhu cầu sử dụng thường xuyên. - Hotline tư vấn: 18006633 |
